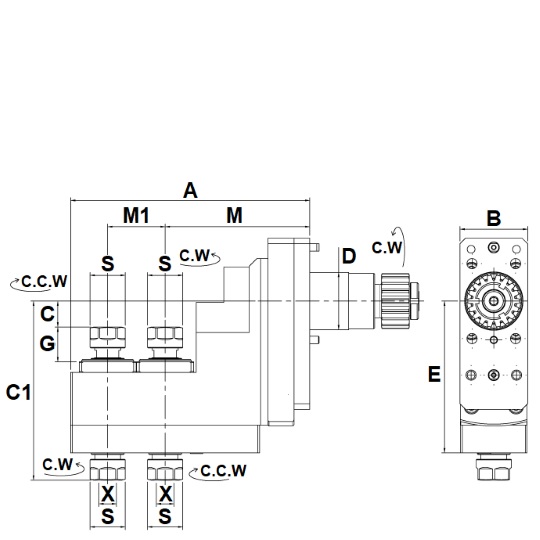
Product Parameters
| IMTE No. | Part No. | D | X Capacity |
S | Rotation Max.speed (R.P.M.) |
A | B | C | C1 | E | G | M | M1 |
| IMT100544 | OEM CINCOM GSE3707 | 31 | 1~7 ER11 | 19 | 4000 | 129 | 36 | 14 | 97 | 82 | 19 | 78 | 31 |
For the detailed list of compatible machine models – please click the Ccompatible Machines tab

