Product Parameters
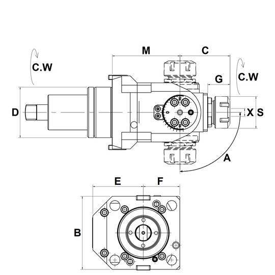
Tool Holder Turret Interface:
- Turret: RADIAL
- Tooling Interface: BMT-75 / Bolt Pattern: 90×90 mm
- Power Coupling: DIN1809
| SKU No. | Part No. | D | X Capacity |
S | Rotation Max.speed (R.P.M.) |
A | B | C | E | F | G | M |
| IMT101481 | DW230-DA55-ER20B | 55 | 1~13 ER20 | 35 | 4000 | ±90° | 90 | 59 | 53 | 43 | 29 | 72 |
| IMT101482 | DW300-DA65-ER25B | 65 | 1~16 ER25 | 42 | 4000 | ±90° | 94 | 66 | 65 | 47 | 29 | 87 |
| IMT101483 | DW350-DA75-ER32B | 75 | 2~20 ER32 | 50 | 4000 | ±90° | 115 | 93 | 85 | 58 | 36 | 108 |
| IMT101484 | DW700-DA85-ER40B | 85 | 3~26 ER40 | 63 | 4000 | ±90° | 125 | 95 | 85 | 63 | 38 | 113 |
For the detailed list of compatible machine models – please click the Compatible Machines tab

